首页关于我们凤凰联盟中心新闻资讯联系我们

PMOLED通信接口选择之I2C & SPI

发布日期:2023-07-27

      各位工程师小伙伴,在使用PMOLED显示屏时,是否担心过因为通信速率太慢导致刷新率不够,降低客户观感;是否纠结过在MCU接口资源有限的情况下正常驱动显示屏。到底选择什么样的通信接口来适配项目中已经选定的MCU,下面我们来看看如何合理选择PMOLED中常见的接口协议。

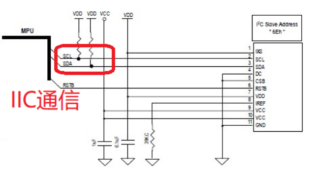
      1、IIC(Inter-Integrated Circuit),又称I2C接口协议。由飞利浦公司在1980年代为了让主板、嵌入式系统或手机用以连接低速周边设备而开发的通信协议。它的优点就是实现通信所需的线缆很少,除去MCU和元器件本身的电源线,I2C通信仅仅用2条线就能实现指令&数据的双向通信。MCU I/O资源紧张的情况下,I2C绝对是最优的通信协议选项。并且,在PMOLED的驱动IC中,时钟CLK速率可高达400KHZ,完全可以满足像2inch以下的单色PMOLED显示屏完成每秒100Hz以上的全屏刷新率。

21cf7de1287bb14865b1dba4839ac24a.png

62b92a89dc333fde85e3e62b26400877.png

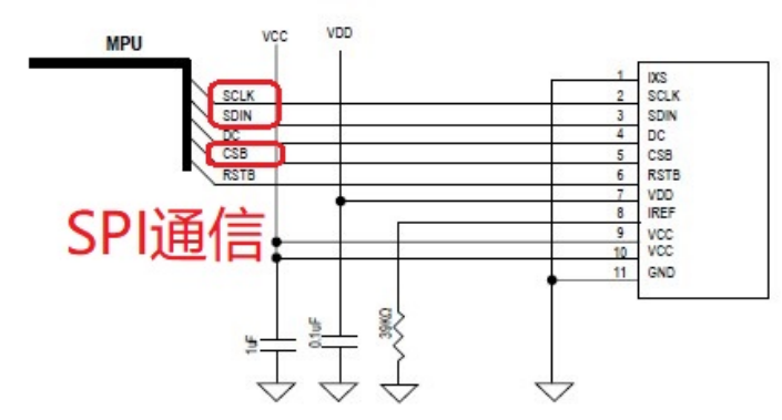
      2、SPI(Serial Peripheral interface),串行外围设备接口。SPI的通信原理很简单,它以主从方式工作,这种模式通常有一个主设备和一个或多个从设备,需要至少4根线,事实上3根也可以(单向传输时)。所有基于SPI的设备共有4条总线,它们是SDI(数据输入),SDO(数据输出),SCK(时钟),CS(片选)。如下图所以,PMOLED显示屏作为一个被动元件,只需要利用SPI的单向传输就能完成正常通信。且通信速率可以轻松达到10Mhz以上,完全可以满足尺寸更大的显示屏或彩色显示屏对高数据刷新率的需求。

b5b98af9e41078064ed13c70028abd3b.png

      除此之外,PMOLED也有8位并行接口的应用。PMOLED-Driver IC一般都有保留多种接口的设计,各个厂商会结合显示屏的尺寸和分辨率做出合理的配置,对于PMOLED接口,如果还有疑问,可与我们电话联系,凤凰联盟官方网站会尽力给您解决。


联系我们

苏州市高新区888号

+88-88-8888

158 8888 6666

hb.fts@hk

版权所有:凤凰联盟官方网站|主营电子,体育,彩票等.