PMOLED的驱动结构类似跑马灯,当其显示一个静态画面,我们眼中看到的是一个在固定区域点亮的图案,但实则是画面的每一个的像素点都在不停进行着亮和灭的切换。在这样的结构下,如果近距离观察,有人会发现其不同行之间的像素点辉度并非一致,终其原因,是行点灯率的不同导致的辉度差,让我们一起来看看其原理。

1、PMOLED像素点驱动结构图。
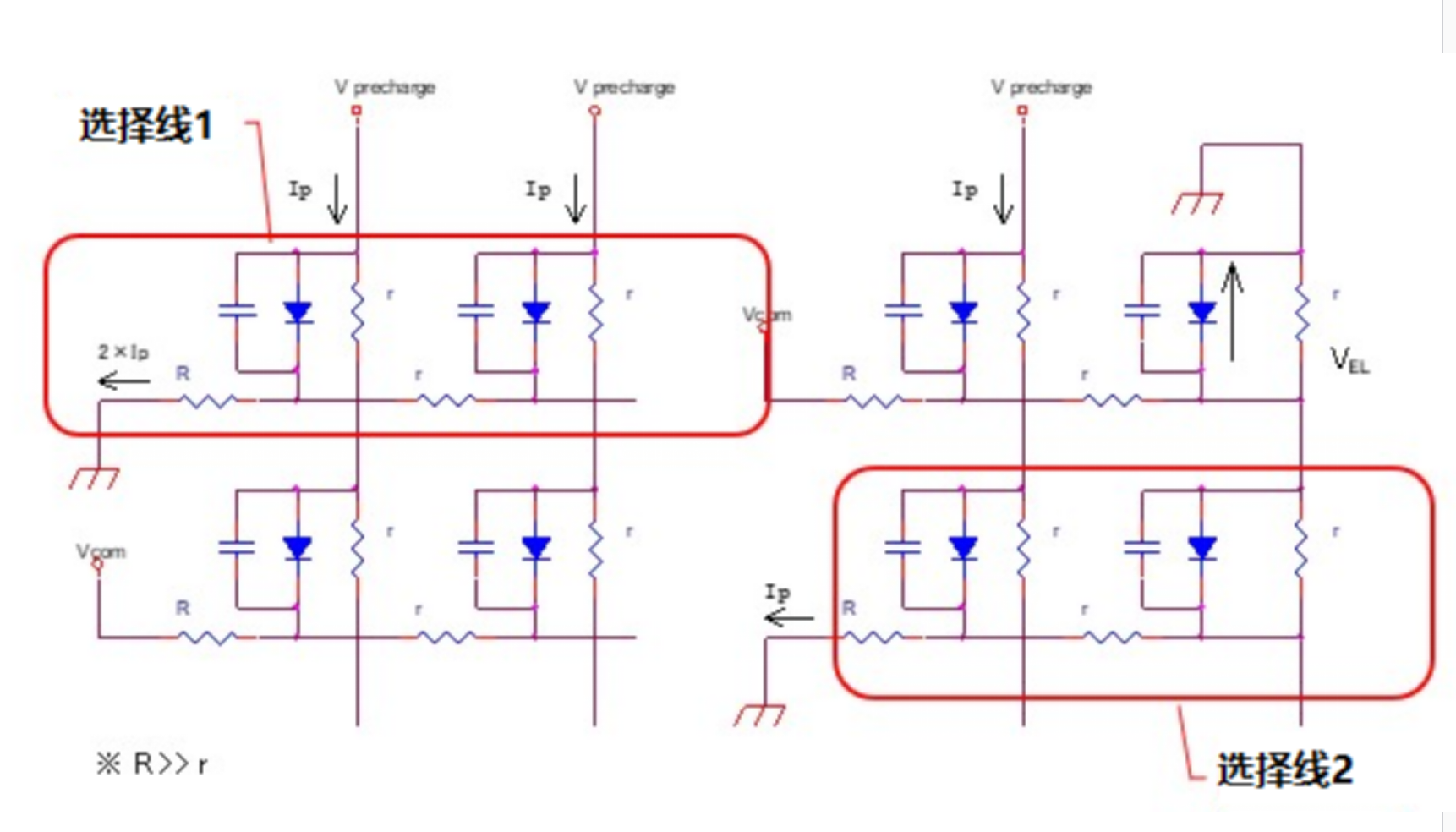
参看下面的等效回路图,各个发光点(发光材)上都并列存在一个电容。发光的时候,为了不受这个电容的影响,需要预充电后,才会从IC端口输出预先设定的发光电流。

有机发光点 等价回路图
对该容量充电的时间称为预充电时间,此时的电压称为预充电电压。
该预充电电压是一定的,在预充电时间内,IC通过恒压输出驱动此回路。
下面用简单的2×2像素点的点灯状态来说明,

2×2像素 点亮画面
此时等价回路就变换成下图。

左边等效图,是第一行被选择点亮时的状态,右边是第二行被选择点亮时的状态。
如上图所示,通过“预充电电压(Vprecharge)”使电流(Ip)流过发光元件。在选择的线路中流动的电流的总量取决于发光点的数量,所以左边回路与右边回路相比,左边流动的电流变少。从下面的理论算式也能得出此结论。
■施加给发光材上的电压VEL = 预充电电压(Vprecharge)-【电流(Ip)×配线电阻(R)】
所以,在左边状态下,预充电期间施加在发光材上的电压VEL:
VEL = Vprecharge - (2×Ip×R)
而,在右边状态下,预充电期间施加在发光材上的电压VEL:
VEL = Vprecharge - (Ip×R)
因此,没有全发光的线,发光材上的电压更高,电流流动较多,相应看起来也更亮一些。这也就导致了上下两条线的辉度差。
即便PMOLED有辉度差的问题,这个辉度差也是在可接受范围内,一般厂家可控制在20%以内,且还有一些技术手法可减轻辉度差对视觉的冲击,使其不容易被肉眼观察到。关于PMOLED的其它特性,若有疑问,可与我们电话联系,凤凰联盟官方网站会尽力给您解决。